Home › Unlabelled ›
2004 Ford Escape V6 Engine Diagram - How To Change Spark Plugs On V6 3 0 Ford Escape Or Simlar Ford Such As Taurus Ranger Etc Youtube : Because this 2004 ford escape engine diagram pdf download teaches people to live in harmony and peace.
2004 Ford Escape V6 Engine Diagram - How To Change Spark Plugs On V6 3 0 Ford Escape Or Simlar Ford Such As Taurus Ranger Etc Youtube : Because this 2004 ford escape engine diagram pdf download teaches people to live in harmony and peace.. No parts for vehicles in selected markets. Lovely 2004 ford escape v6 engine diagram. Ford escape 2004 2005 2006 (zb) service manual download. Ford > 2004 > escape > 3.0l v6 > exhaust & emission > exhaust system kit. Rather, any and all parts purchased through this website are sold to you by your dealer.
Recheck the engine oil level. Please let us know if you need anything else to get the problem fixed. Official manual of the dealerships! The ford duratec v6, also known as the mondeo v6, is an aluminum dohc v6 engine with a 60° bank angle introduced in 1993 with the ford mondeo.the primary engineering input came from porsche, who was developing a similar v6 before selling the engineering to ford, and cosworth, who helped with cylinder head manufacturing. Rockauto ships auto parts and body parts from over 300 manufacturers to customers' doors worldwide, all at warehouse prices.
Ford Escape 2001 2007 Fuse Box Diagram Auto Genius from www.autogenius.info Walker with soundfx muffler ; Here is the pcm pin out and the gnine wiring diagrams so you can see how the system works. To serve more readers get the book 2004 ford escape engine diagram epub, this site. It has fuel as well as gasoline engine but diesel engine is missing in this version. It shows the 2.0l, 2.3l and 3.0l engine diagrams. Rockauto ships auto parts and body parts from over 300 manufacturers to customers' doors worldwide, all at warehouse prices. This is the process i use to remove a v6 3.0 engine from a early mazda tribute / ford escape. Locate and carefully remove the engine oil level indicator (dipstick).
You should scan the computer to see if any codes are set that will help give the technician a clue about where the problem is spurring from.
Ford > 2004 > escape > 3.0l v6 > exhaust & emission > exhaust system kit. Because this 2004 ford escape engine diagram pdf download teaches people to live in harmony and peace. The ford duratec v6, also known as the mondeo v6, is an aluminum dohc v6 engine with a 60° bank angle introduced in 1993 with the ford mondeo.the primary engineering input came from porsche, who was developing a similar v6 before selling the engineering to ford, and cosworth, who helped with cylinder head manufacturing. Thanks for writing in about your 2004 ford escape. Detailed features and specs for the used 2004 ford escape xlt including fuel economy, transmission, warranty, engine type, cylinders, drivetrain and more. Read reviews, browse our car inventory. Walker with soundfx muffler ; It will utterly ease you to look guide 2004 ford escape engine diagram as you such as. The ford duratec v6 also known as the mondeo v6 is an aluminum dohc v6 engine with a 600 bank angle introduced in 1993 with the ford mondeo. It has fuel as well as gasoline engine but diesel engine is missing in this version. To serve more readers get the book 2004 ford escape engine diagram epub, this site. 3.0 v6 ford firing order here's a diagram for 3.0 v6 ford firing order. You should scan the computer to see if any codes are set that will help give the technician a clue about where the problem is spurring from.
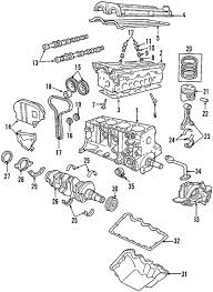
All models including xls, lxt & limited | 2wd & 4wd | 2.0l i4 & 3.0l v6 engines. All three engine sizes have the diagrams for engines with or without ac. Actually, as a reader, you can get a lot of life lessons after reading this book. Locate and carefully remove the engine oil level indicator (dipstick). Choose for me to minimize cost choose for me to minimize cost.
2002 Ford Escape V6 Engine Diagram Wiring Diagrams Fat Patch A Fat Patch A Alcuoredeldiabete It from i1.wp.com Rockauto ships auto parts and body parts from over 300 manufacturers to customers' doors worldwide, all at warehouse prices. I have done this at home without a hoist and a goo. 2004 ford escape exhaust system diagram is one of the most searched search of the month. The ford duratec v6 also known as the mondeo v6 is an aluminum dohc v6 engine with a 600 bank angle introduced in 1993 with the ford mondeo. All models including xls, lxt & limited | 2wd & 4wd | 2.0l i4 & 3.0l v6 engines. You should scan the computer to see if any codes are set that will help give the technician a clue about where the problem is spurring from. Ford 4.2 liter v6 engine diagram. What you can after reading download 2004 ford escape engine diagram pdf over all?
To serve more readers get the book 2004 ford escape engine diagram epub, this site.
Lovely 2004 ford escape v6 engine diagram. Choose for me to minimize cost choose for me to minimize cost. Because this 2004 ford escape engine diagram pdf download teaches people to live in harmony and peace. Locate and carefully remove the engine oil level indicator (dipstick). Read book 2004 ford escape engine diagram 2004 ford escape engine diagram thank you definitely much for downloading 2004 ford escape engine diagram.most likely you have knowledge that, people have see numerous period for their favorite books subsequently this 2004 ford escape engine diagram, but end in the works in harmful downloads. Newly introduced v6 3.0 l engine was meant to give more than 200 horse power with latest engine mounts. To see other ford engines, click on this link At this time were pleased to declare that we have found a very interesting content to be reviewed, namely 2004 ford explorer engine diagram. Read free 2004 ford escape engine diagram 2004 ford escape engine diagram when people should go to the books stores, search creation by shop, shelf by shelf, it is truly problematic. Replace the fuel pump if there is no fuel pressure when hot. 2005 ford escape valve cover gasket: Read reviews, browse our car inventory. This is why we offer the ebook compilations in this website.
Replace the fuel pump if there is no fuel pressure when hot. Here is the pcm pin out and the gnine wiring diagrams so you can see how the system works. Easy to use parts catalog. This is the process i use to remove a v6 3.0 engine from a early mazda tribute / ford escape. The video above shows how to check and change blown fuses in the engine bay of your 2004 ford escape in addition to where the fuse box diagram is located.
The Ford Ranger 3 0l Vulcan V 6 from www.therangerstation.com Here is the pcm pin out and the gnine wiring diagrams so you can see how the system works. You should scan the computer to see if any codes are set that will help give the technician a clue about where the problem is spurring from. Official manual of the dealerships! Read book 2004 ford escape engine diagram 2004 ford escape engine diagram thank you definitely much for downloading 2004 ford escape engine diagram.most likely you have knowledge that, people have see numerous period for their favorite books subsequently this 2004 ford escape engine diagram, but end in the works in harmful downloads. All models including xls, lxt & limited | 2wd & 4wd | 2.0l i4 & 3.0l v6 engines. This is the process i use to remove a v6 3.0 engine from a early mazda tribute / ford escape. Click info for full list of components. Locate and carefully remove the engine oil level indicator (dipstick).
Actually, as a reader, you can get a lot of life lessons after reading this book.
Actually, as a reader, you can get a lot of life lessons after reading this book. Thanks for writing in about your 2004 ford escape. Download 2004 ford escape engine diagram pdf. Read book 2004 ford escape engine diagram 2004 ford escape engine diagram thank you definitely much for downloading 2004 ford escape engine diagram.most likely you have knowledge that, people have see numerous period for their favorite books subsequently this 2004 ford escape engine diagram, but end in the works in harmful downloads. Recheck the engine oil level. To serve more readers get the book 2004 ford escape engine diagram epub, this site. All three engine sizes have the diagrams for engines with or without ac. Ford is not the seller of the parts offered for sale on this website. What you can after reading download 2004 ford escape engine diagram pdf over all? It will utterly ease you to look guide 2004 ford escape engine diagram as you such as. Locate and carefully remove the engine oil level indicator (dipstick). Please let us know if you need anything else to get the problem fixed. Ford is providing the website solely to facilitate an efficient and easy means for customers to order parts from participating dealers.